新昌县日月机械有限公司

全国咨询热线
13506750127
20年来致力于空气压缩机曲轴及制冷压缩机曲轴的研发、制造、定制、加工
新闻详情

大型曲轴加工的关键难题

发表时间:2022-06-16 10:13

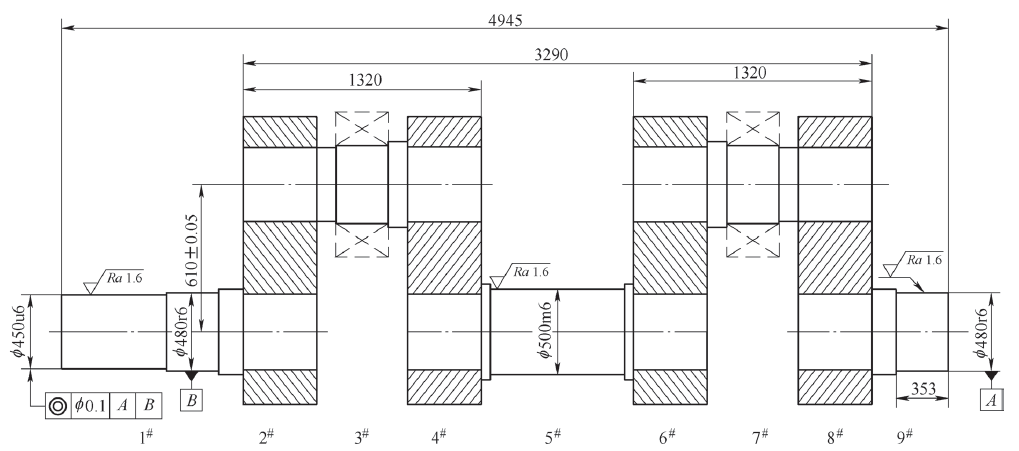
2    曲轴结构


曲轴结构如图1所示,是由5件轴与4件曲柄组合而成的装配体,外形尺寸为4945mm(长)×1025mm(宽)×1565mm(高),拐轴距离(610±0.05)mm。轴与曲柄为过盈配合,配合尺寸为轴图片图片包含配重质量约49t。轴和曲柄的材质分别为35CrMo和35CrMoA,热处理调质硬度为241~269HBW,超声波探伤要求达到Ⅱ级。曲轴加工精度要求高,主轴从左至右外圆尺寸及其相应的表面粗糙度值分别为:图片Ra=3.2mm;图片Ra=1.6mm;图片Ra=3.2mm。主轴与拐轴平行度<0.1mm,主轴同轴度<φ 0.1mm。

图片

图1   曲轴结构


3    加工难点


现有机床加工曲轴过程中,曲轴回转直径接近卧式车床卡盘最大回转直径,曲拐轴与主轴偏心距离大,达到(610±0.05)mm,旋转处于不平衡状态,需要进行配重。由于装夹安全性差,车床转速低,刀杆伸出长,不便对刀,所以难以保证图样尺寸、表面粗糙度及位置精度要求。轴外圆与曲柄内孔为过盈配合,过盈量0.7mm,装配间隙0.7mm,实际需要曲柄内孔热胀1.4mm,要对曲柄内孔进行红套热装。由于曲柄壁厚不均匀,热胀冷缩会使其发生变形,影响加工精度,因此加工装配过程控制曲柄的热变形显得尤为重要。热装前轴的尺寸全部加工至达到图样要求,为保证装配精度,需对曲柄孔局部加热,而不能将曲轴整体加热,因此必须选用合适的加热方式。由于曲轴制造过程中需要经过多道装配和镗孔工序,反复加热和起吊容易产生变形和累积误差,影响曲轴精度,所以控制曲柄的装配精度同样重要。


4   工艺制定


设备加工过程中出现加工误差流的传递和叠加问题,可利用泰勒公式级数展开及长期的加工经验,通过各工序产生的尺寸误差建立误差间的参数方程,建立制造过程产生加工误差流的因素回归模型,对其进行优化以消除误差。通过线性插补的计算方法,可得出误差理论值与误差预算值之间的偏离趋势,对其进行优化拟合,以此消除对机械加工过程产生的误差。本工艺采取分段加工组合装配的方式,即曲轴热装前,在卧式车床上将所有拐轴、主轴全部加工至达到图样要求;在普通镗床上将部分曲柄内孔加工至达到图样要求,另外部分曲柄内孔直径留余量;多次红套装配,将另外部分曲柄内孔加工至达到图样要求。由于曲柄孔若采用燃气加热,容易造成加热表面积炭和严重氧化,同时污染车间环境,因此选择电阻式履带电热板加热法,该法操作方便,便于温度控制,并且加热板可以在曲柄上灵活放置,容易达到对称加热。曲柄孔加热时外面用石棉板覆盖,防止热量散失。热装后,用石棉板进行保温,缓慢冷却,防止产生应力及变形。为了防止冷却过程中收缩产生变形,制作专用工装,在轴端增加压盖,保证曲柄与轴台阶定位贴紧,可在曲柄适当位置用重物压住,防止装配过程变形。


5   装配方案


制定曲轴的具体加工工艺路线如下:铸锻毛坯→粗加工→探伤→热处理→探伤→半精加工→精加工→装配→精加工(组合)→总装配→检测。


为实现加工工艺路线,工艺方案实施前需准备及制作装配平台、专用胎具、测量及装配工具。将装配基准平台平面加工精铣,平台底部垫斜铁,调整平台高度,用水平仪找平平台达到要求精度。为了防止轴热装入曲柄后冷却收缩,必须制作工艺压盖,待轴和曲柄热装后用压盖将其压紧。为防止热装过程曲柄水平方向发生位移造成偏差,需要使用方箱等重物压紧以防止曲柄位移。作为热装难点的曲柄孔,使用局部加热的专用履带电加热板(见图2)和支撑工具。制备过程需准备千斤顶、百分表及框式水平仪等检测工具,这些仪器配合使用,以调平主轴和拐轴;此外需要拉杆、压板、起吊环和螺栓等工具,用于起吊、压紧曲柄。


图片

图2 专用履带电加热板


曲轴装配详细工艺路线如图3所示。①组合一的装配。曲柄垫等高垫块,找正、垫平、平放曲柄于平台上,加热4#曲柄主轴内孔,测量杆检测其尺寸至合格,将5#主轴竖装到孔内;依主轴自重,使轴肩与曲柄端面贴紧,冷却至室温,再将4#曲柄基准面垫基准块侧立,找正,前后焊接挡块定位,端面压盖螺栓拉紧。之后,加热6#曲柄主轴内孔,测量杆检测合格后,将其水平装入5#主轴上,再将端面压盖螺栓拉紧,压板压紧,冷却至室温。将组合一整体上镗床,按5#轴外圆及曲柄侧面基准面找正,分别镗4#、6#曲柄拐轴内孔至达到图样精度要求。需要注意的是,4#曲柄侧立找正后,其前后左右各方向要用焊接挡块固定。为防止曲柄在热装后位置有窜动,在其缓慢冷却过程中,用压盖和螺栓压紧4#、6#主轴端面。②进行组合二、组合三的装配。3#、7#拐轴竖立在平台上,将轴承加热,装到拐轴上,依轴承自重,端面与轴肩贴近,缓慢冷却至室温。使用加热工装对4#、6#内孔均匀加热,外部覆盖石棉保温。测量杆检测合格后,将拐轴和轴承整体水平装到对应的曲柄上,用千斤顶调整3#和7#拐轴水平,防止冷却的过程中因拐轴自重致使拐轴下挠。同样,为防止曲轴在冷却过程中轴向窜动和径向扭转,用压盖和螺栓压紧4#、6#拐轴内侧端面。③进行组合四、组合五的装配。分别将组合一、组合二、组合三及2#、8#曲柄装配在一起。加热2#、8#曲柄拐轴内孔,检测内孔尺寸合格后,将2#、8#曲柄装入,用端面压盖螺栓把紧。用方箱压紧2#和8#曲柄,防止曲柄冷却过程中,相对拐轴轴向移动和径向转动。待缓慢冷却至室温,将组合一、组合二、组合三、组合四和组合五整体上镗床,分别镗曲柄2#、8#主轴内孔至达到图样精度要求。④进行组合六、组合七的总装配。分别加热2#和8#曲柄的主轴内孔,检测合格后,将1#轴和9#轴水平装配至达到图样要求,内侧端面压盖、螺栓拉紧,外端用千斤顶调平主轴,待冷却后整体起吊至龙门铣床,检测各尺寸精度,直至整套设备符合图样要求。


为了给曲轴确定合理的热装温度,根据公式tn=(Δ1Δ2)/(αdf)+t,其中tn为拐轴与曲柄配合热装时加热的理论温度;Δ1为过盈量;Δ2为热装最小间隙;α为热膨胀系数;df为拐轴与曲柄装配时,配合的轴与孔的公称直径;t为室温。由过盈量Δ1=0.7mm、热装最小间隙Δ2=0.68mm,可计算出拐轴与曲柄配合热装时的加热温度为328℃。


组合件合套装配时,依据曲轴零件之间的相互位置,在组合件端面上划十字中心线,热装时要求中心线必须对齐。加热过程中,在轴承外面用石棉与履带链隔开,防止轴承升至较高的温度。仔细核对配合件根部圆角、端面倒角,相关尺寸精度和位置精度不相互干涉,之后进行热装,复查配合尺寸,不允许有任何失误。装配过程中,组合一的主轴与曲柄装配采用曲轴立式放置,便于起吊装配;零件依靠自重,使曲柄与轴台阶面自动贴合压紧。其余各组合部分采用曲柄竖直,依次从中间向两边水平装配,并使用方箱、螺杆和压板紧固,挡块固定,以减小累积误差。


图片



分享到:
首页         产品展示         关于我们         新闻资讯        联系我们        在线留言
———————————————————————————————————————————————————————————————————————————————————

新昌县日月机械有限公司

量身定制,品质保证
TAILORED, QUALITY ASSURANCE
>联系手机13506750127(王经理)
>联系电话0575-86188088   0575-86188818
>联系传真0575-86188626
>联系邮箱18267552737@163.com
>联系地址:浙江省绍兴市新昌县沙溪镇剡界岭村